产品中心
全国服务热线
400-875-1500
400-875-1500
销售热线:13720093566

扫一扫,添加销售经理
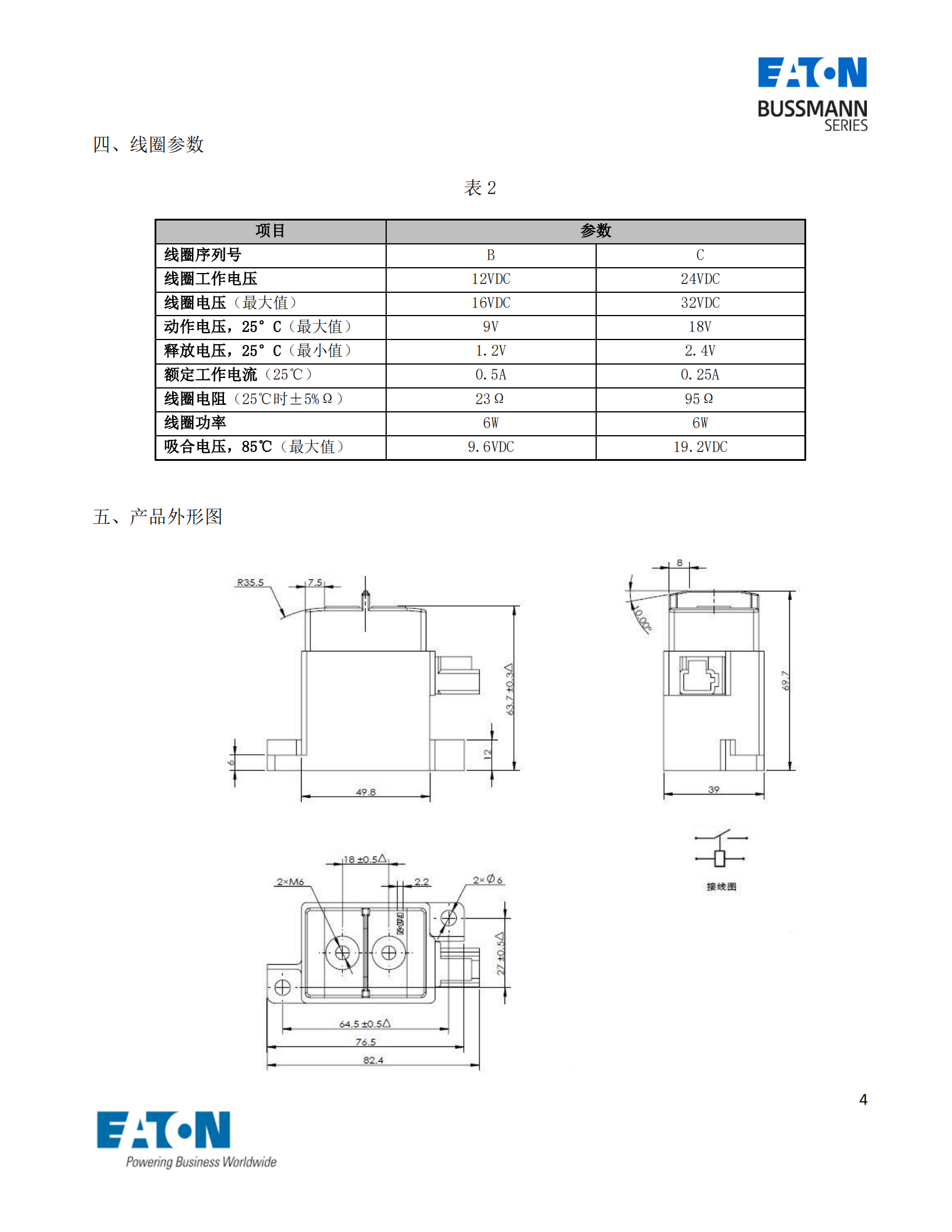
EVC-AB-100S直流接触器
完全符合 RoHS 要求—对环境更友好
小型化—新技术提升同等体积的负载能
磁吹灭弧—利用永久磁铁将电弧吹散拉长,提升灭弧能力;填充气体—充入灭弧气体,提升产品灭弧性能,防止触点氧化
完全密封—触点处于密封的环境当中,接触电阻低而且稳定,可用于恶劣的环境下;
分享至:
- 产品介绍
- 视频中心
- 相关证书
- 样品申请






上一篇:没有了 下一篇:没有了
相关产品






销售热线
















