产品中心
全国服务热线
400-875-1500
400-875-1500
销售热线:13720093566

扫一扫,添加销售经理
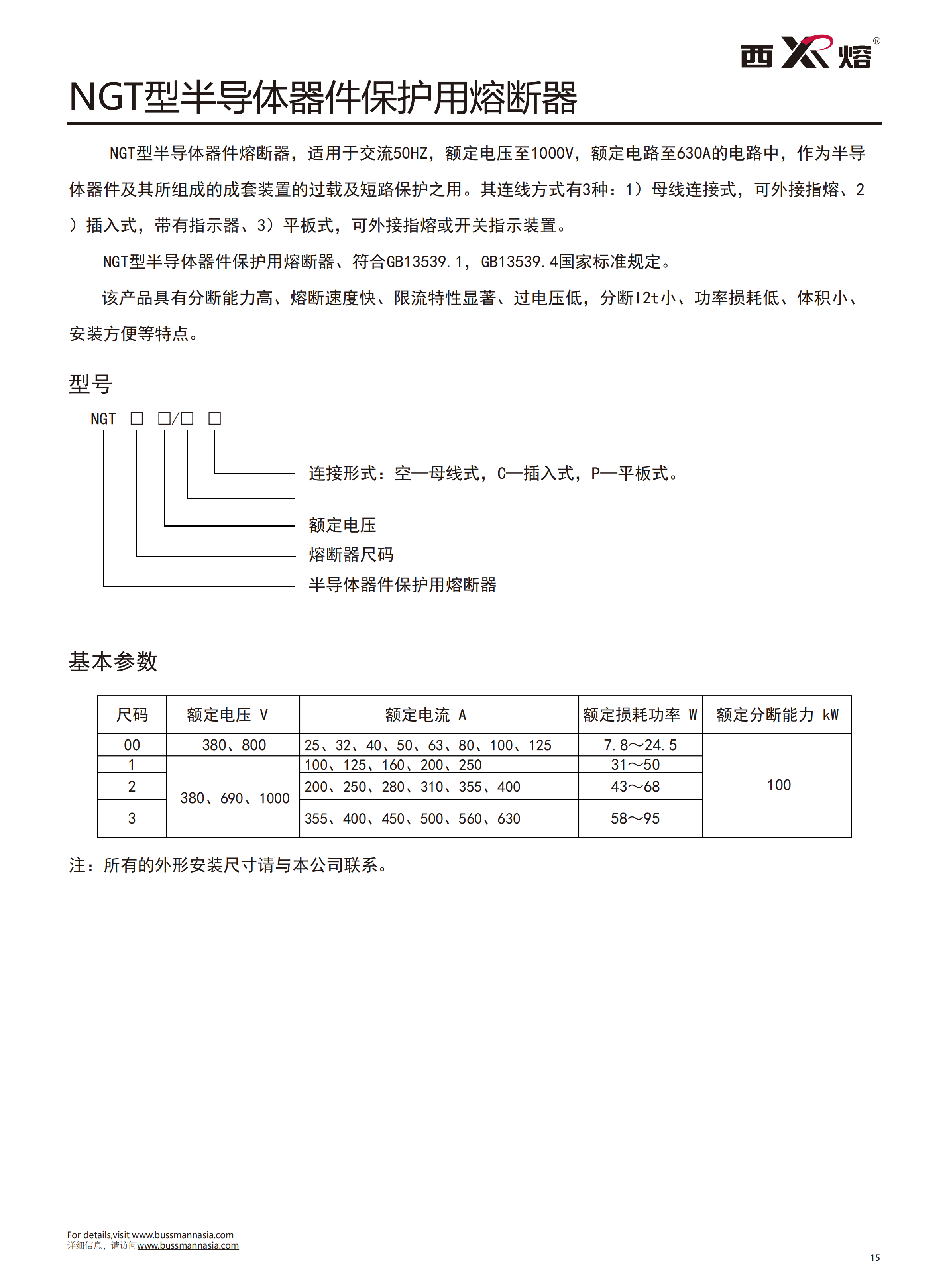
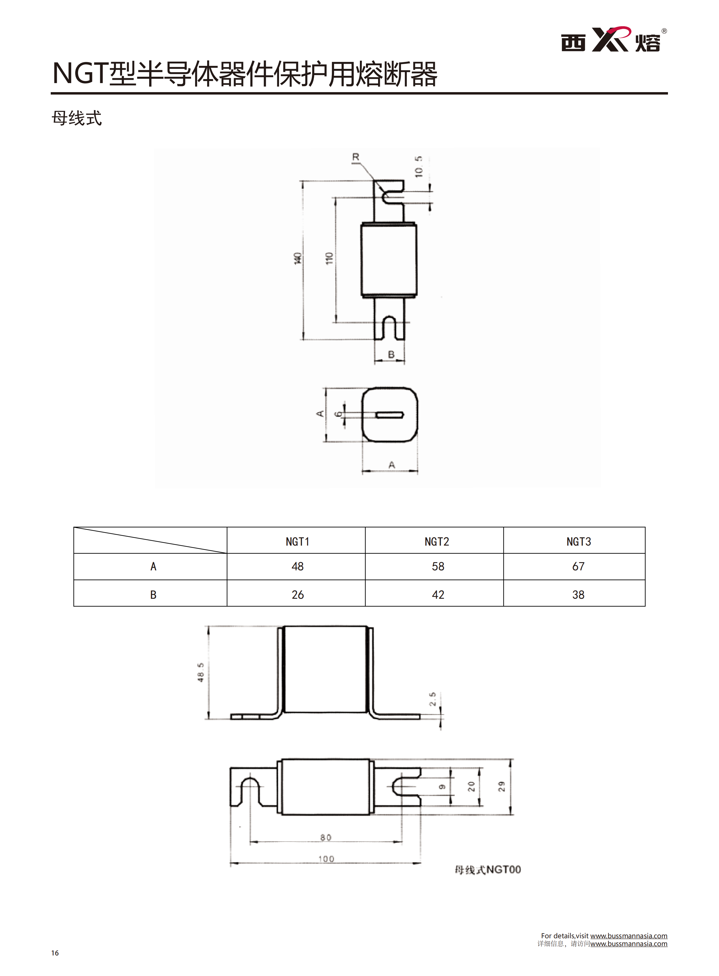
西熔快速熔断器NGT 3 500A
库存型号:NGT-00 380V/32A; NGT-00 700V/80A; NGT-00 800V/125A-C; NGT-1 700V/250A
额定电压:380-1000V
额定电流:25-630A
应用领域:半导体器件?;?/span>
分享至:
- 产品介绍
- 视频中心
- 相关证书
- 样品申请




上一篇:FNQ-R系列熔断器 下一篇:西熔快速熔断器RSG-2 690V 250A






销售热线



















