全国服务热线
400-875-1500
400-875-1500
销售热线:13720093566

扫一扫,添加销售经理
RSG-1 800V快速熔断器
库存料号:RSG-1 800V/160A-PK
描述
RSG系列熔断器
RSG系列半导体器件?;び萌鄱掀鳎ㄒ韵录虺瓶焖偃鄱掀鳎?,是继我公司RSF系列熔断器开发成功之后,向技术性能更高,体积减小,额定容量增大新发展的又一系列产品。
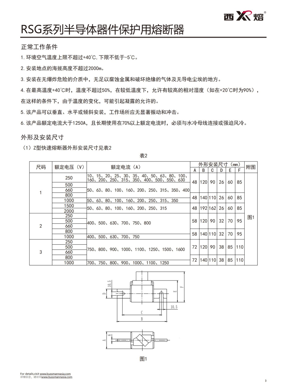
该系列快速熔断器适用于交流50HZ,额定电压250-2000V,额定电流10-7000A的电路中,作为整流二极管,晶闸管及其由半导体器件组成的成套装置的短路和某些不允许过电流的过载?;ぁ?/span>
快速熔断器额定容量大,分断能力高、熔断速度快、限流特性显著、安全可靠以及带有撞击器使熔断器熔断后迅速打开微动开关,指示明显可靠等特点。
分享至:
- 产品介绍
- 视频中心
- 相关证书
- 样品申请
- PDF下载



上一篇:RSG-1 1000V快速熔断器 下一篇:RSG-1 660V快速熔断器






销售热线


















